Intro
The 175 is a classic. Two-register, quite old (the design dates to 1940) and boasting of many, many descendants. For example, the Omega 321 used in the moon watch is based on the Venus 183.
Look for it and you'll see the Y-shaped cock everywhere.
(Image credit: TimeZone)
(Image credit: Bidfun)
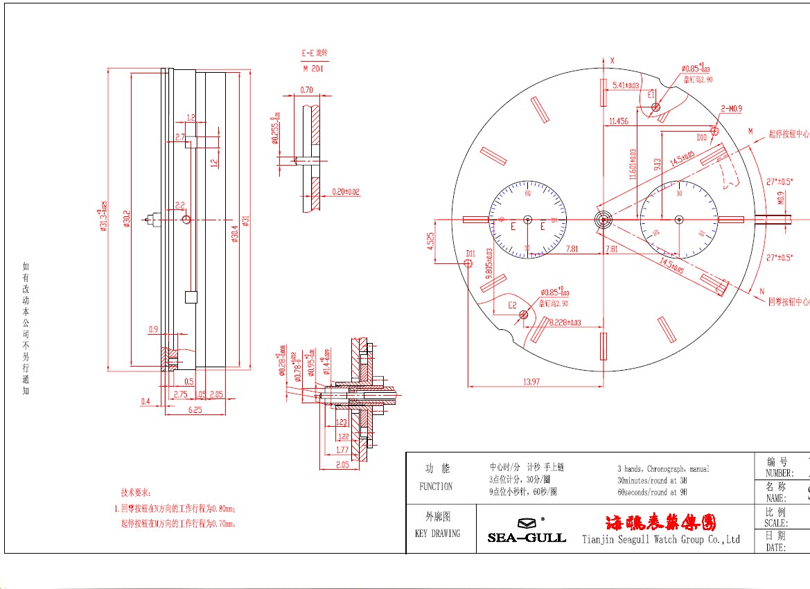
The Seagull ST-19 is basically identical, and here's the CAD drawing for that:
(Image credit: Giovino)
Specs
- Designed by Andre Frey of Venus
- Debut 1940 (source)
- Size 14 ligne, 31mm, 5.5mm thick.
- 17 jewels, unknown shock protection
- Column wheel coordination.
- Handwind only.
- Rate: 18,000 vph
- Chronograph: 60 second, 30 or 45 minutes.
- Power reserve: 45 hours
- Non-hacking
- Hour, minute, subseconds
- Accuracy unknown
- Undecorated and unadjusted
Notes from Bidfun on the others in the family:
175: base plate with bevelled edge
176: base plate plain
178: hour counter
179: split second
183: date, hour
184: date, moon phase, hour
185: split second, hour
190: split second, date, moon phase, hour
Links
- Bidfun page is a good place to start
- TimeZone on a watch with the movement
- VF Capital has an excellent page on a Minerva based on the Venus
See also
- The Seagull ST-19 is based on the 175, same thing with the rate increased to 21,600 vph.


